医用传呼对讲系统设计安装要求
采用普通医用传呼对讲系统:由电话型主机、病人一览表、显示屏、呼叫分机、卫生间分机、传呼线组成。
医用传呼对讲系统需求:
(1) 抢救室、隔离病房、创伤单元共用 1 套呼叫主机、1 个显示屏。
(2) 留观病房安装 1 套呼叫主机,1 个电话副机、2 个显示屏,其中 1 个电话副机和 1 个显示屏安装在抢救室。
(3) EICU 安装 1 套呼叫主机,1 个电话副机、2 个显示屏,其中 1 个电话副机和 1 个显示屏安装在抢救室
普通医用传呼对讲系统技术要求:
(1) 医用呼叫对讲主机及病人一览表
① 分机呼叫主机时,主机有声光报警,并显示呼叫分机的编号。
② 主机和分机可以任意呼叫、通话,通话无需转换。
③ 分机呼叫主机无人应答时,主机自动存储,轮番显示并声音提示。
④系统具有双向对讲功能,即主机可呼叫分机,分机也可呼叫主机。
⑤系统在两个分机同时按下的时候,能够识别到≦100ms 的时间差别,不影响呼叫。
⑥ 系统具有无中断呼叫功能,即当主机在应答分机时,另有别的分机呼叫主机,主机可在不中断应答的情况下,收到新的呼叫信号并显示出来。
⑦ 分机出现故障时主机能自动检测并切断该分机。
⑧可根据病员病情轻重设定高、低级别护理状态,高级护理级别的病员优先呼入。
⑨标准主机容量≧60 门,可扩展。
⑩配有能显示≧60 位住院病人信息的病人信息一览表。
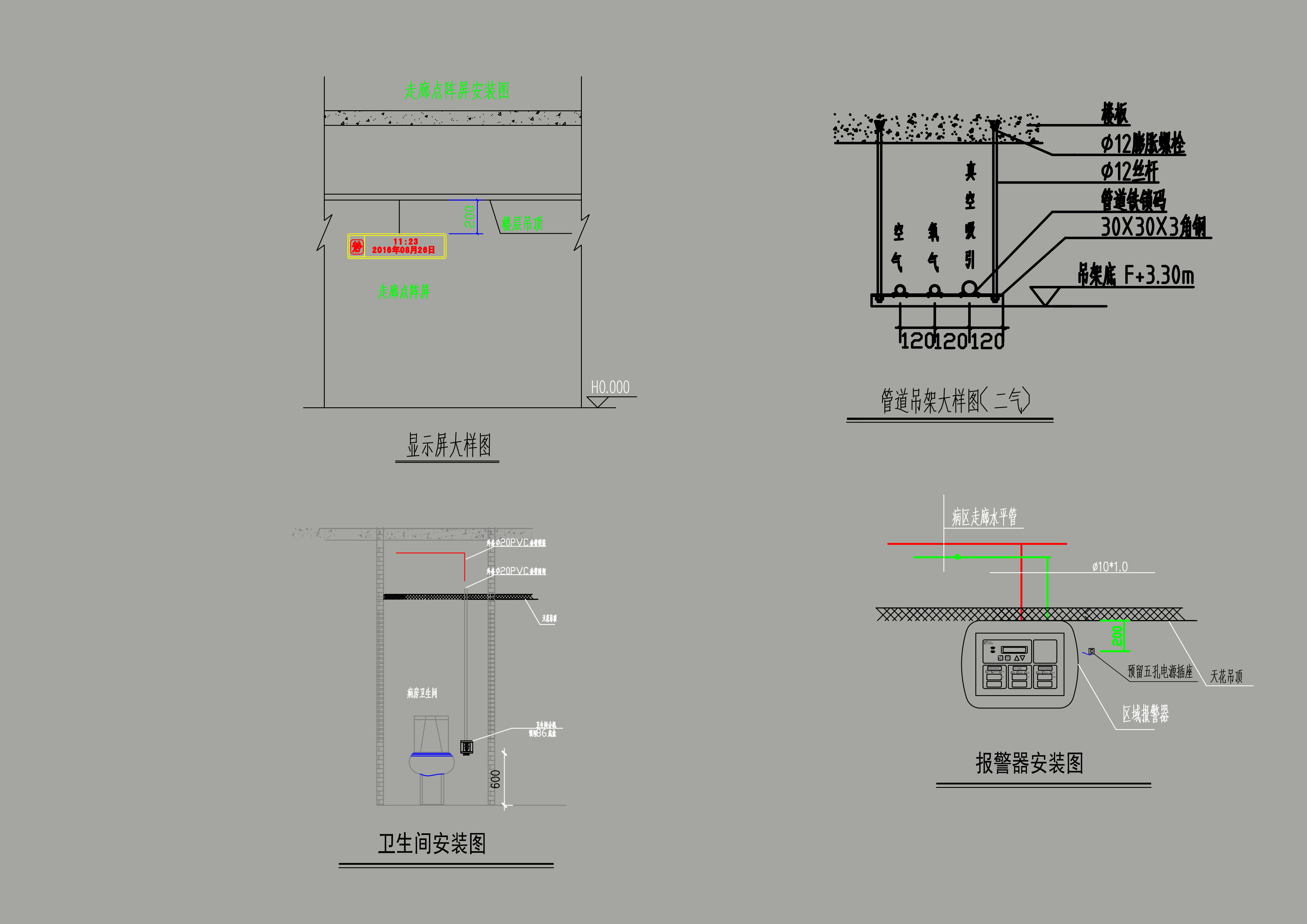
(2)显示屏
①多功能显示,可显示房间号,床位号,呼叫顺序号,时间显示等
②安装在区域走廊位置,方便护理人员在忙碌的工作中在走廊时即能看到病人的呼叫信息。
(3) 对讲传呼分机
① 嵌入式安装在急诊留观、输液、住院部病房等医用设备带内。
② 具有呼叫通话,叫通指示,呼叫清除等功能。
③ 呼叫手柄有指示灯,能够显示呼通状态,呼通瞬间,分机不产生声音影响他人。
④呼叫分机有指示灯,呼通时候红色显示,接通护士站时候显示绿色。
(4)卫生间防水分机
①标准八六面板,预埋八六底盒。
② 按压操作方式,呼叫时为紧急状态。
③指示灯为长亮,以提示病人操作位置,呼叫成功时为闪烁状态。
④严密防水工艺,配加厚防水垫片。
